
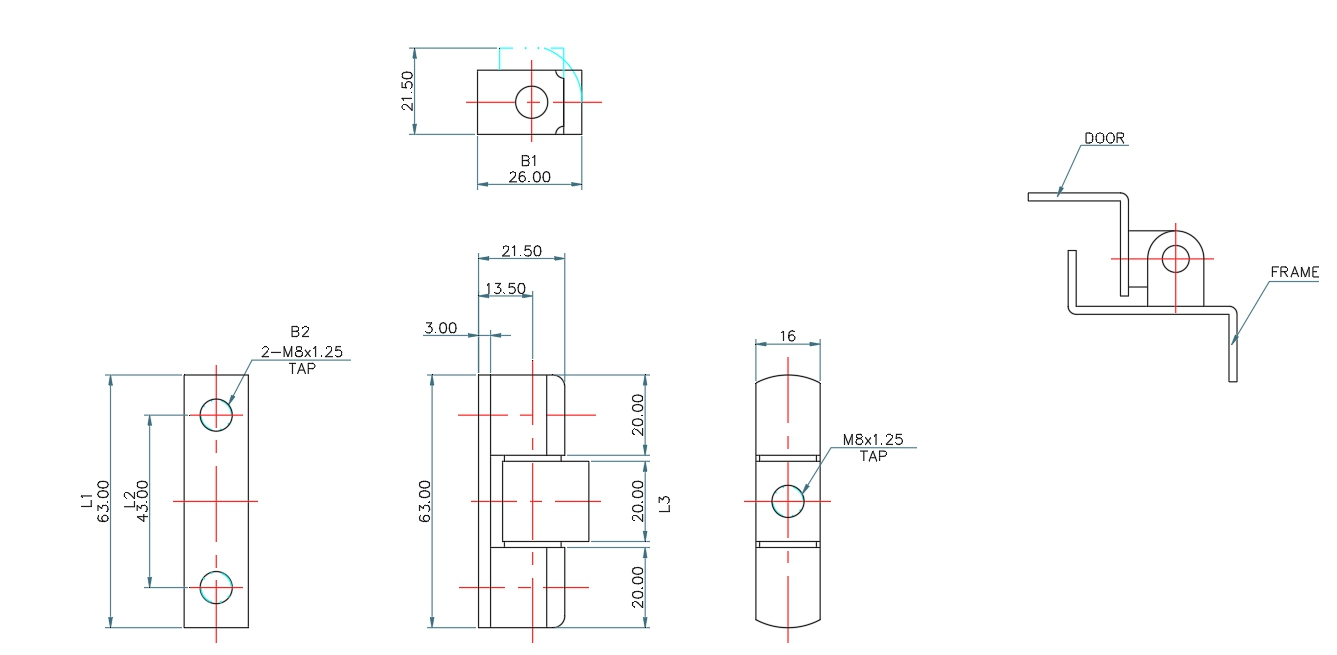
1. Material: Zinc alloy hinge, PA-6 gasket, carbon steel pin
2. Surface treatment: Spray matte black, plated with bright chromium and matte, pins coated with blue and white zinc
3. Structural description: Can be opened at an angle of 180 °
| 基本尺寸/Basic Dimensions | 产品型号 Product Model | 产品单重 Weight | 装箱数 | ||||
| L1 | L2 | L3 | B1 | B2 | CL-65-2(M8) | ||
| 63 | 43 | 20 | 26 | 2-M8×1.5 | |||