KL-CL-107-2

1.材料:锌合金主体,碳钢销子2.表面处理:亮铬/喷黑3.约为180°

image.png

1. Material: Zinc alloy body, carbon steel pin

2. Surface treatment: Bright chrome

3. Approximately 180 °

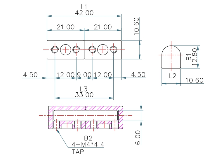
基本尺寸/Basic dimensions

产品型号

Product Model

产品单重

Weight

装箱数
L1L2L3B1B2CL-107-251
500
4210.63312.84-M4*4.4


推荐产品 RECOMMENDED PRODUCTS

    KL-MS6018-1

    KL-MS609

    KL-111166

    KL-11114

    KL-MS-713

    KL-MS-305

    KL-MS-818

    KL-MS-606-2