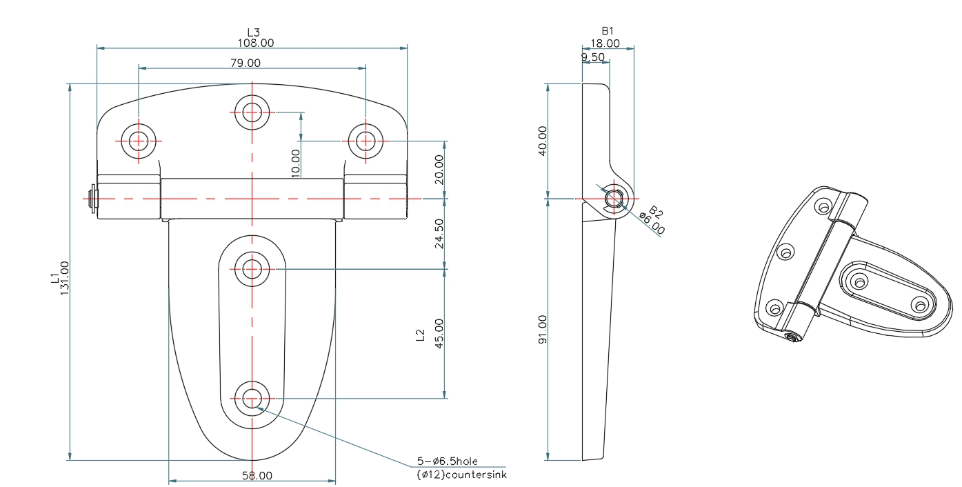
KL-CL-114

1.材料PA66动、静铰链/不锈钢销子2.表面处理:砂纹黑

image.png

1. Material PA66 dynamic and static hinges/stainless steel pins

2. Surface treatment: Sand grain black

基本尺寸/Basic dimensions

产品名称

Product Model

产品单重

Weight

装箱数

PCS

L1L2

L3

B1B2CL-114105
120
1314510818∅6


推荐产品 RECOMMENDED PRODUCTS

    KL-MS6018-1

    KL-MS609

    KL-111166

    KL-11114

    KL-MS-713

    KL-MS-305

    KL-MS-818

    KL-MS-606-2