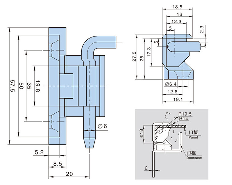
KL-016

1.主体材质:锌合金动、静铰链,分不锈钢和镀镍钢销子2.表面处理:喷无光黑3.备注:转动约180°

image.png

1.Main material: Zinc alloy dynamic and static hinges, divided into stainless steel and nickel plated steel pins. 

2.Surface treatment: spray matte black.

3.Remarks: rotate about 180 °

型号 Product no.产品单重(g)Weight装箱数Lot
KL-01685300


推荐产品 RECOMMENDED PRODUCTS

    KL-MS6018-1

    KL-MS609

    KL-111166

    KL-11114

    KL-MS-713

    KL-MS-305

    KL-MS-818

    KL-MS-606-2