
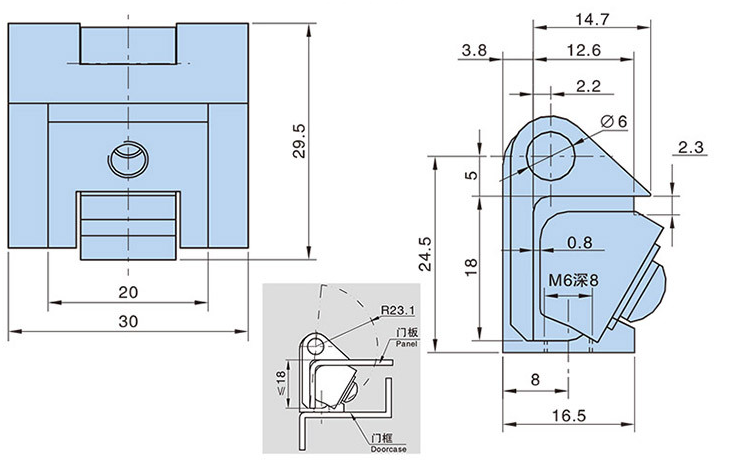
1.Main material: Zinc alloy dynamic and static hinges, divided into stainless steel and nickel plated steel pins, galvanized steel pressure plate
2.Surface treatment: black
3.Remarks: Rotate about 180 °
| 产品型号及特性 Product Number | 产品单重(g)Weight | 装箱数Lot | |
| 喷无光黑 Black powder coated | KL026.3 | 61.5 | 400 |
| 镀亮铬 Bright chrome plating | KL026.1 | ||